|
不銹鋼升降式止回閥產品概述: 不銹鋼升降式止回閥是指閉閥瓣用來防止介質倒流的閥門,又稱逆止閥、單向閥、逆流閥、和背壓閥。止回閥屬于一種自動閥門,其主要作用是防止介質倒流、防止泵及驅動電動機反轉,以及容器介質的泄放。止回閥還可用于給其中的壓力可能升至超過系統壓的輔助系統提供補給的管路上。止回閥主要可分為旋啟式止回閥(依重心旋轉)與升降式止回閥(沿軸線移動)。常用的不銹鋼升降式止回閥材質分為301,304,316,316L,321等不銹鋼材質。 不銹鋼升降式止回閥結構特點: 1、產品結構緊湊合理、密封可靠、性能優良。 2、體積小、重量輕。 3、適用范圍廣。 4、閥瓣關閉快速、動作靈敏。 5、關閉沖擊力小、不易產生水錘現象。 6、流道通暢、流體阻力小。 不銹鋼升降式止回閥零件材料:
不銹鋼升降式止回閥技術參數:
不銹鋼升降式止回閥外形結構圖:
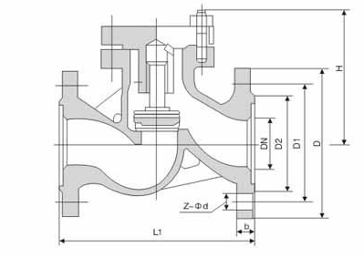
不銹鋼升降式止回閥主要連接外形尺寸:
|
||||||||||||||||||||||||||||||||||||||||||||||||||||||||||||||||||||||||||||||||||||||||||||||||||||||||||||||||||||
-
產品采用金屬材質表面順滑光亮
-
采用不銹鋼材料,不生銹的同時材料的堅固也有保障
-
啟閉件靠流動介質的壓力來實現自動開啟或關閉。
-
止回閥只用于介質單向流動的管路上,阻止介質回流,以防發生事故。
-
廣泛應用于電站、石油、化工、制藥、食品等行業。
-
根據用戶提供的流量、壓力提供選型規格書及控制方案圖。


