浮球閥減壓閥緩閉止回閥泄壓閥氣動球閥電動球閥不銹鋼球閥氣動蝶閥電動蝶閥法蘭蝶閥對夾式蝶閥襯氟蝶閥不銹鋼閘閥倒流防止器電動調節閥氣動調節閥自力式調節閥截止閥止回閥過濾器排氣閥排泥閥
氣動硬密封蝶閥|硬密封法蘭蝶閥|氣動蝶閥D643H產品資料介紹 氣動硬密封蝶閥|硬密封法蘭蝶閥|氣動蝶閥D643H型號規格
氣動硬密封蝶閥|硬密封法蘭蝶閥|氣動蝶閥D643H
氣動硬密封蝶閥
氣動硬密封蝶閥

氣動法蘭硬密封蝶閥D643H

品牌廠家:COLAVAL/可拉伐
產品型號:D643H
連接方式:法蘭
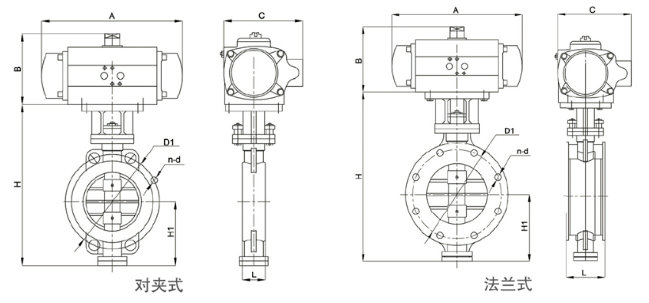
公稱通徑:DN50-DN1200
閥體材質:鑄鋼、不銹鋼304、不銹鋼316、不銹鋼316L
壓力溫度:PN16-64 低溫、常溫、高溫
結構形式:三編心
應用領域:D643H高溫蒸汽氣動金屬硬密封蝶閥 D643W鑄鋼渦輪法蘭蝶閥 D643Y不銹鋼導熱油碳鋼三偏心蝶閥
在線詢價

服務熱線:021-8037092318701880159

產品優點
  • 特點

    D643H-16C耐高溫蒸汽鑄鋼三偏心金屬硬密封渦輪法蘭蝶閥鑄造成型,***標重型體,耐高溫425℃

  • 質保服務

    提供力所能及的閥門解決方案,質保兩年、D643H金屬硬密封法蘭蝶閥售前、售中、售后服務。

  • 技術工藝

    不改變介質流向,不擾流,壓降小,啟閉力矩小,工藝性能好和適用的壓力、溫度范圍廣。

  • 密封性好

    用三偏心斜錐面密封,利用蝶板擺動接觸密封、密封啟閉無磨損,關閉時具有越關越緊

  • 壽命長

    密封面選擇D507Mo和鈷基硬質合金,具有耐腐蝕、耐高溫、使用壽命長的特點,克服了高溫使用時熱膨脹閥門易泄漏的缺點

  • 可適用多種介質

    適用介質:水、汽、油等

產品詳情

氣動硬密封蝶閥簡介:

氣動硬密封蝶閥屬于長壽命、高品質蝶閥,采用三維偏心原理設計,主要由法蘭或對夾式硬密封蝶閥與氣動執行裝置連接組成,閥座和碟板密封面采用不同硬度的金屬材料或不銹鋼制成,具有耐高溫、耐腐蝕、耐磨損等優點。氣動硬密封蝶閥采用硬軟密封兼容的多層次結構,無論在低溫或高溫的工況中都能保證優良的密封性能,且閥門在開啟和關閉時碟板和閥座基本無摩擦現象,大大提高了蝶閥的使用壽命。氣動硬密封蝶閥廣泛應用于電力、油品、蒸汽、空氣、污水等介質的管道當中,是開關控制或調節流量的*佳裝置。


氣動硬密封蝶閥性能特點:

1、采用三偏心原理結構,閥座與碟板在啟閉時幾乎無摩擦,提高了使用壽命。  

2、結構獨特,操作靈活、省力、方便、不受介質壓力的高、低影響,密封性能可靠。 

3、可分為氣動對夾式硬密封蝶閥和氣動法蘭硬密封蝶閥,滿足于不同連接方式,方便安裝在管道中。

3、密封是采用軟硬金屬片層疊組成,具有金屬密封和彈性密封的雙重優點,無論在低溫和高溫情況下,均具有優良的密封特性。 

5、蝶閥設有密封調節裝置,長期使用后若密封性能下降,可調節碟板密封圈向閥座靠近即可恢復原有密封性能,大大地提高使用壽命。


氣動硬密封蝶閥技術參數:

公稱通徑DN50~DN1200(mm)
壓力等*PN1.0、1.6、2.5、4.0MPa
連接方式對夾式、法蘭連接
密封形式金屬硬密封
驅動方式氣源驅動,壓縮空氣5~7bar(可帶手輪)
動作范圍0~90°
閥體材質碳鋼、不銹鋼304、不銹鋼316
工作場合水、蒸氣、油品、酸類腐蝕性等(可高壓高溫場合)
溫度范圍碳鋼:-29℃~450℃ 不銹鋼:-40℃~450℃
控制方式開關模式(開關兩位控制,氣開、氣關式)、智能調節型(4~20mA模擬量信號)、彈簧復位

1AGA044-1.jpg

氣動硬密封蝶閥執行機構:

供氣壓力0.4~0.7MPa
氣源接口G1/4"、G1/8"、G3/8"、G1/2"
環境溫度-30~+70℃
作用形式單作用執行機構:氣關式(B)--失氣時閥位開(FO);氣開式(K)--失氣時閥位關(FC)
雙作用執行機構:氣關式(B)--失氣時閥位保持(FL);氣開式(K)-- 失氣時閥位保持(FL)
可配附件定位器、電磁閥、空氣過濾減壓器、保位閥、行程開關、閥位傳送器、手輪機構等

氣動硬密封蝶閥和氣動軟密封蝶閥的區別:

1、軟密封使用于低壓-常壓,硬密封可使用于中高壓工況。

2、軟密封用于低溫,常溫環境,硬密封可用于低溫、常溫、高溫等環境。

3、軟密封蝶閥多為中線型結構,硬密封一般是單偏心、雙偏心和三偏心蝶閥結構。

4、軟密封蝶閥比三偏心硬密封蝶閥密封性能比較好,但三偏心蝶閥在高壓高溫環境下可以保持良好的密封。

 

氣動硬密封蝶閥和氣動軟密封蝶閥的優缺點:

硬密封蝶閥使用壽命長,但是密封性相對比軟密封差。

軟密封蝶閥的優點是密封性能好,缺點是容易老化、磨損、使用壽命短。

軟密封蝶閥多適用于含腐蝕性等常溫管路做啟閉及調節,硬密封蝶閥多用于供熱、供氣、及煤氣、油品、酸堿等環境。


關鍵字: 氣動蝶閥
021-80370923
18701880159
在線客服
加微信聊
返回頂部

添加微信,享下單優惠!

18701880159 18701880159

(長按復制微信號,添加好友)

電話咨詢 微信咨詢