浮球閥減壓閥緩閉止回閥泄壓閥氣動球閥電動球閥不銹鋼球閥氣動蝶閥電動蝶閥法蘭蝶閥對夾式蝶閥襯氟蝶閥不銹鋼閘閥倒流防止器電動調節閥氣動調節閥自力式調節閥截止閥止回閥過濾器排氣閥排泥閥
不銹鋼日標止回閥|20K日標止回閥|法蘭止回閥H44W-10K產品資料介紹 不銹鋼日標止回閥|20K日標止回閥|法蘭止回閥H44W-10K型號規格
不銹鋼日標止回閥|20K日標止回閥|法蘭止回閥H44W-10K
不銹鋼日標止回閥
不銹鋼日標止回閥

不銹鋼日標止回閥H44W-10K

品牌廠家:COLAVAL/可拉伐
產品型號:H44W-10K
連接方式:法蘭
公稱通徑:DN50-DN300
閥體材質:不銹鋼304、不銹鋼316、不銹鋼316L
壓力溫度:10K、20K -10℃~300℃
結構形式:旋啟式
應用領域:H44W-10K日標止回閥304不銹鋼旋啟式臥式單向閥法蘭管道單向逆止閥316
在線詢價

服務熱線:021-8037092318701880159

產品優點
  • 色澤光亮

    產品采用金屬材質表面順滑光亮

  • 材質堅固

    采用不銹鋼材料,不生銹的同時材料的堅固也有保障

  • 操作簡單

    啟閉件靠流動介質的壓力來實現自動開啟或關閉。

  • 防介質倒流

    止回閥只用于介質單向流動的管路上,阻止介質回流,以防發生事故。

  • 安裝方便

    水平或垂直管道均可使用,安裝方便

  • 專業選型

    根據用戶提供的流量、壓力提供選型規格書及控制方案圖。

產品詳情

H44H旋啟式日標止回閥原理作用:    

H44H旋啟式日標止回閥的啟閉件靠介質流動和力量自行開啟或關閉,以防止介質倒流。日標止回閥一般分為升降式、旋啟式、蝶式及臥式等四種類型,通式升降式止回閥應安裝于水平管路上,立式升降式止回閥和底閥一般安裝在垂直管路上,并且介質自下而上流動,H44H旋啟式日標止回閥安裝位置不受限制,通常安裝于水平管路,但也可以安裝于垂直管路或傾料管路上。H44H旋啟式日標止回閥安裝方式:止回閥只允許介質向一個方向流動,應特別注意介質流動方向,應使介質正常流動方向與閥體上指示的箭頭方向相一致,否則就會截斷介質的正常流動。 H44H旋啟式日標止回閥是以日本JIS標準生產制造,H44H旋啟式日標止回閥壓力以K來表述。


H44H旋啟式日標止回閥性能特點: 

①水平或垂直管道均可使用,安裝方便;

②流道通暢、流體阻力小。

H44H旋啟式日標止回閥技術參數:

設計制造

結構長度

法蘭尺寸

壓力溫度

試驗檢驗

JIS B2074 B2084

JIS B2002

JIS B2212 B2214

JIS B2074 B2084

JIS B2003

H44H旋啟式日標止回閥部件材質:

閥體WCBWC1WC6WC9
閥座2515CrMoA12Cr1MoVA
閥瓣WCBWC1WC6WC9
搖桿WCBWC1WC6WC9
閥蓋2515CrMoA12Cr1MoVA
銷軸1Cr17Ni220Cr1Mo1V1A
密封環S軟鋼(增強柔性石墨)S軟鋼F軟鋼

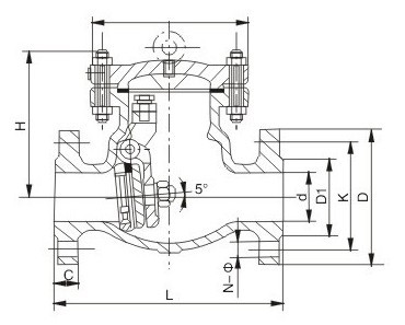
H44H旋啟式日標止回閥外形尺寸:


    H44H旋啟式日標止回閥尺寸圖
    mminLDD1D1bn-φdH
    502203152120.79219.04-φ19165
    6521/2216178139.710522.44-φ19175
    803241190152.412724.04-φ19190
    1004292229190.515724.08-φ19215
    1255356254216.018624.08-φ22.5240
    1506406279241.321625.48-φ22.5265
    2008495343298.527028.48-φ22.5320
    25010622406362.032430.212-φ25.4365
    30012698483431.838132.012-φ25.4415


關鍵字: 止回閥
021-80370923
18701880159
在線客服
加微信聊
返回頂部

添加微信,享下單優惠!

18701880159 18701880159

(長按復制微信號,添加好友)

電話咨詢 微信咨詢